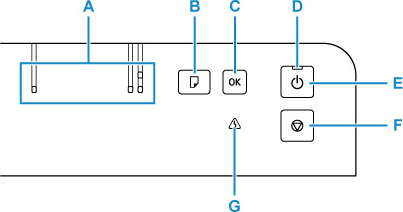
Panel Operasi

- A: Lampu Kertas(Paper)
- Nyala lampu tergantung pada ukuran kertas saat ini.
- B: Tombol Pilihan Kertas(Paper Select)
- Tekan untuk mengganti ukuran kertas.
- C: Tombol OK
- Mengonfirmasi ukuran kertas. Juga digunakan untuk menangani kesalahan.
- D: Lampu DAYA(ON)
- Menyala setelah berkedip ketika daya dinyalakan.
- E: Tombol DAYA(ON)
-
Menyalakan atau mematikan daya.
- F: Tombol Berhenti(Stop)
- Membatalkan pengoperasian ketika pencetakan sedang berlangsung atau ketika memilih item menu.
- G: Lampu Alarm
- Menyala atau berkedip ketika terjadi kesalahan.

